Descripción
CARACTERÍSTICAS TÉCNICAS:
- Cerradura (ambivalente para derecha e izquierda) con cilindro europerfil 30+30mm
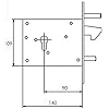
Frontal de acero galvanizado de 30 mm de ancho y 192 mm de largo con borde cuadrado.
Tamaño de entrada: 90 mm.
Caja: base 140 mm x altura 109 mm.
Contraplaca y 3 llaves incluidas.
Gancho de acero niquelado.
Funcionamiento 8-12 V.








