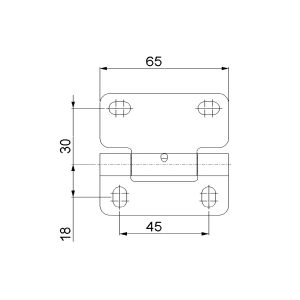
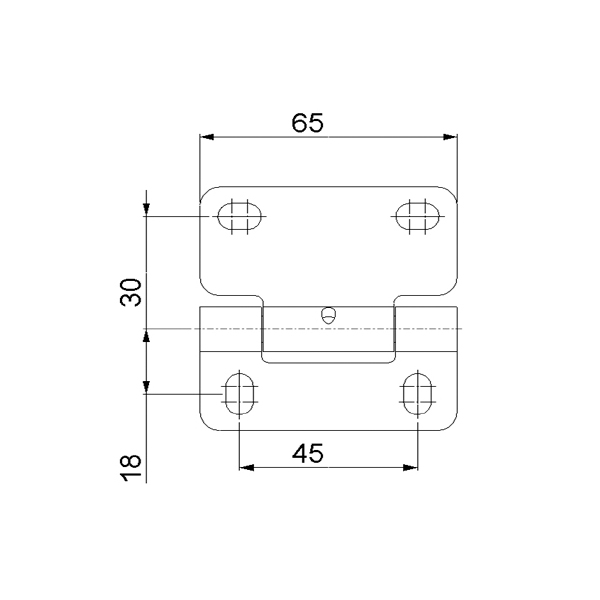
bisagraind2